Product Summary
The ATTINY45-20SU is an 8-bit microcontroller with 2/4/8kbytes in-system programmable flash. The ATTINY45-20SU is a low-power CMOS 8-bit microcontroller based on the AVR enhanced RISC architecture. By executing powerful instructions in a single clock cycle, the ATTINY45-20SU achieves throughputs approaching 1 MIPS per MHz allowing the system designer to optimize power consumption versus processing speed.
Parametrics
ATTINY45-20SU absolute maximum ratings: (1)Operating Voltage: 1.8 - 5.5V for ATtiny25V/45V/85V; 2.7 - 5.5V for ATtiny25/45/85; (2)Speed Grade: ATtiny25V/45V/85V: 0 - 4 MHz @ 1.8 - 5.5V, 0 - 10 MHz @ 2.7 - 5.5V; ATtiny25/45/85: 0 -10 MHz @ 2.7 - 5.5V, 0 - 20 MHz @ 4.5 - 5.5V; (3)Industrial Temperature Range; (4)Low Power Consumption Active Mode: 1 MHz, 1.8V: 300 μA; Power-down Mode:v0.1 μA at 1.8V.
Features
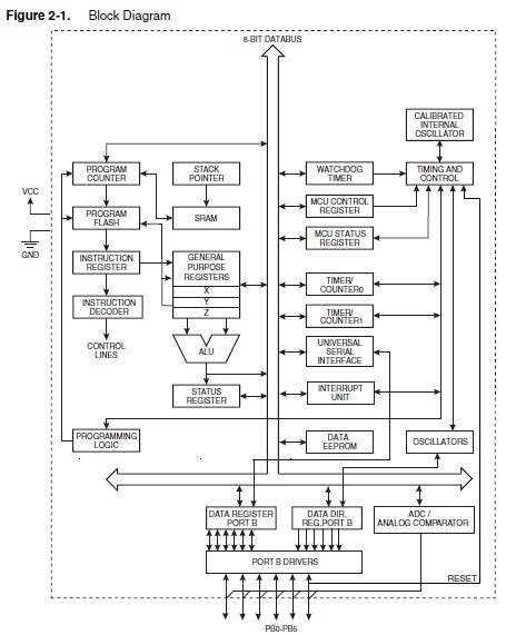
ATTINY45-20SU features: (1)High Performance, Low Power AVR 8-Bit Microcontroller; (2)Advanced RISC Architecture: 120 Powerful Instructions ?Most Single Clock Cycle Execution; 32 x 8 General Purpose Working Registers; Fully Static Operation; (3)Non-volatile Program and Data Memories: 2/4/8K Bytes of In-System Programmable Program Memory Flash; Endurance: 10,000 Write/Erase Cycles; 128/256/512 Bytes In-System Programmable EEPROM; Endurance: 100,000 Write/Erase Cycles; 128/256/512 Bytes Internal SRAM; Programming Lock for Self-Programming Flash Program and EEPROM Data Security; (4)Peripheral Features: 8-bit Timer/Counter with Prescaler and Two PWM Channels; 8-bit High Speed Timer/Counter with Separate Prescaler; 2 High Frequency PWM Outputs with Separate Output Compare Registers; Programmable Dead Time Generator; USI Universal Serial Interface with Start Condition Detector; 10-bit ADC, 4 Single Ended Channels, 2 Differential ADC Channel Pairs with Programmable Gain (1x, 20x); Temperature Measurement; Programmable Watchdog Timer with Separate On-chip Oscillator; On-chip Analog Comparator; (5)Special Microcontroller Features: debugWIRE On-chip Debug System; In-System Programmable via SPI Port; External and Internal Interrupt Sources; Low Power Idle, ADC Noise Reduction, and Power-down Modes; Enhanced Power-on Reset Circuit; Programmable Brown-out Detection Circuit; Internal Calibrated Oscillator; (6)I/O and Packages: Six Programmable I/O Lines; 8-pin PDIP, 8-pin SOIC, 20-pad QFN/MLF, and 8-pin TSSOP (only ATtiny45/V).
Diagrams

| Image | Part No | Mfg | Description | ![]() |
Pricing (USD) |
Quantity | ||||||||||||
|---|---|---|---|---|---|---|---|---|---|---|---|---|---|---|---|---|---|---|
![]() |
![]() ATtiny45-20SU |
![]() Atmel |
![]() 8-bit Microcontrollers (MCU) 4kB Flash 0.256kB EEPROM 6 I/O Pins |
![]() Data Sheet |
![]()
|
|
||||||||||||
![]() |
![]() ATTINY45-20SUR |
![]() Atmel |
![]() 8-bit Microcontrollers (MCU) 4KB FLSH 256B EE256B SRAM-20MHz, IND 5V |
![]() Data Sheet |
![]()
|
|
||||||||||||
(China (Mainland))










